Marine Foldable Crane
--- Txuag|Portable|Kev daws teeb meem rau kev ua haujlwm offshore
YFM marine foldable crane yog tsim tshwj xeeb rau cov nkoj, lub chaw ua haujlwm sab nrauv, thiab kev ua haujlwm nqaim. Nws sib xyaw ua ke high-muaj peev xwm muaj peev xwm, ntse folding tshuab ntxhua khaub ncaws, thiab tag nrho huab cua corrosion tsis kam.
Ua tsaug rau nws cov qauv tsim qauv tsim, Nws yog qhov zoo tagnrho rau dej hiav txwv, chaw nres nkoj chaw thau khoom \/ thauj khoom, thiab kev cawm thaum muaj xwm ceev.

Cov ntsiab lus zoo
✅ Revolutionary Chaw Txhaum
---} Folding Joint Technology Txo lub ntim kom tsuas yog 1\/4 ntawm cov pa cranes thaum tais
{{0 {0}}} seamlessly adapts rau cov nkoj me me, cov nkoj muab khoom, thiab cov pob zeb pov tseg
✅ Kev ua haujlwm zoo dua hauv cov cheeb tsam heev
--- Lub cev tseem ceeb yog tsim los ntawm 316L stainless txheej, thiab nws muaj cov ntsev txau corrosion, thiab nws muaj cov ntsev txau corrosion, thiab nws muaj cov ntsev txau txhim kho ntawm c 5- m. M} m.
--- Lub Nkoj Foldable Crane Ua Raws Li Cov Haujlwm Kev Nyab Xeeb los ntawm {}} degree rau 40 degree.
✅ Ntse thiab Kho kom meej
---} tuaj yeem nruab nrog touchscreen + chaw taws teeb tswj cov haujlwm ua haujlwm tawml
{{{{{0}}}} yeem tiag tiag-lub sij hawm xaiv soj ntsuam nyiaj thiab ± 0.5 txog kev sib npaug
✅ Ntau daim ntawv thov kev xaiv
{{0 {0}} Chaw thau khoom sai \/ thauj khoom ntawm cov thawv thauj khoom
{{0 {}} Tshaj tawm thiab rov qab ntawm lub neej muaj teev ntuj
---} Kev Txhim Kho thiab Kev Txij Nkawm ntawm Cov Khoom Siv Hauv Hiav Txwv
--- Cov tsheb thauj mus los
Kev tsim ua



Xov xwm
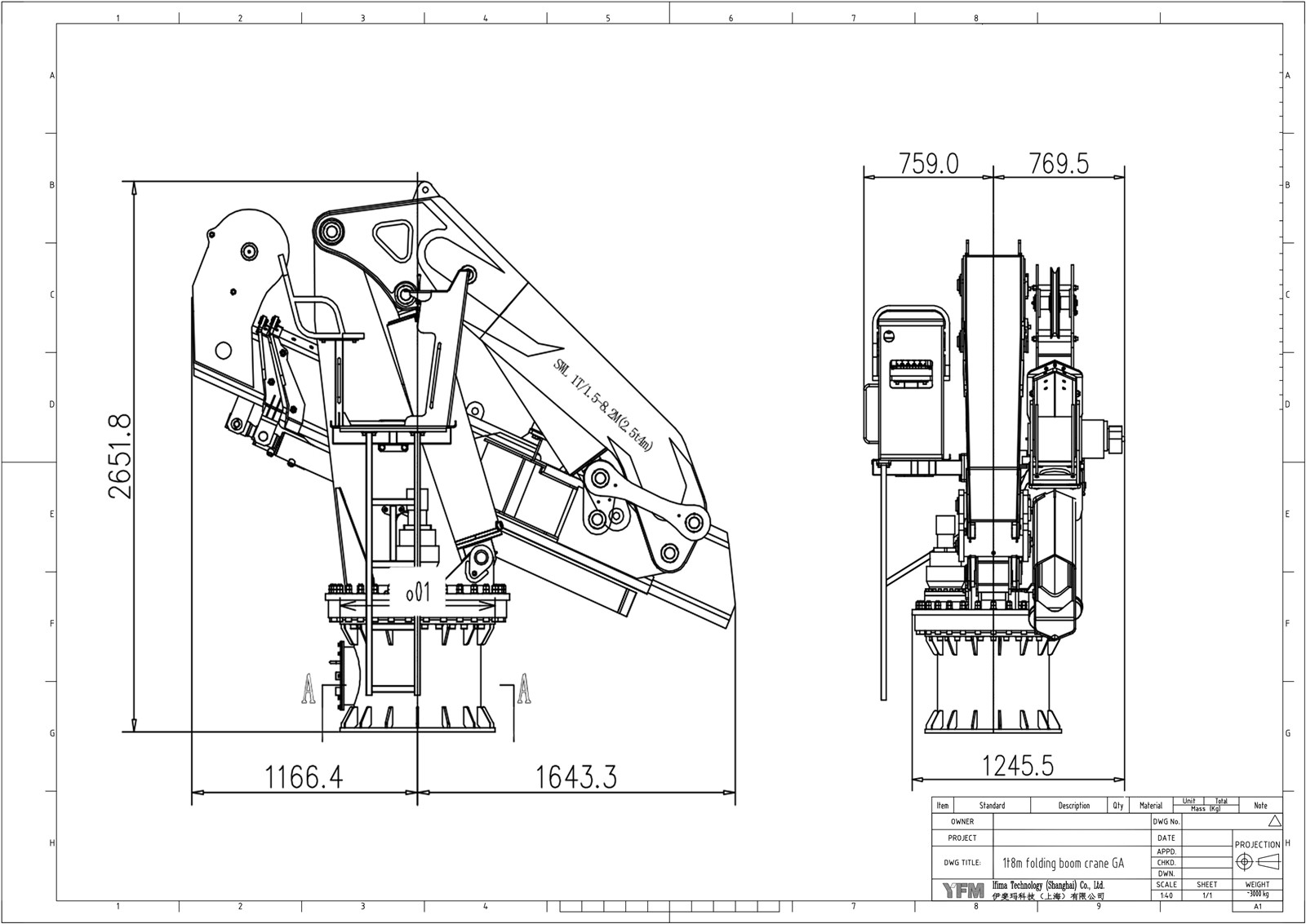
| Tus qauv | 1T 8M Marine Foldable Crane | Kev Ua Haujlwm | Txiav | 2 Qib | |
| Swl | Saib Cov Load Daim Ntawv | Luj taw | 5 degree | ||
| Max. ua haujlwm vojvoog | 8m | Max. Cua Ceev | Ua hauj lwm mob | 20m/s | |
| Min. ua haujlwm vojvoog | 1.5m | Chaw Nres Tsheb | 55m/s | ||
| Hoisting ceev | • 12M \/ min | Elec-Lub Zog Muaj Zog | Hwjchim | 15kw | |
| Hoisting mus ncig | 15m | Hov ceev | / | ||
| Slewing ceev | 0. 6r \/ min | Khoom Siv Zog | AC400V \/ 60HZ \/ 3P | ||
| Thawj zaug liffing lub sijhawm | ~60s | Kev tiv thaiv chav kawm | Txivt6 | ||
| Booms ncua sijhawm sijhawm | ~60s | Cov Chav Pov Hwm | F | ||
| Thaj kub cua sov | {{0 {}} degree ~ +55 degree | Hom hauj lwm | S1 | ||
| Lub hauv paus loj | Φ801 hli | Ntim loj | 2809.7mm X 1528.5mm X 2651.8mm | ||



Vim li cas thiaj xaiv Yfm Marine Foldable Cranes?
✦ Kev Ceeb Toom Zoo & Sib Tw Ntev Nqe
- Ua kom tiav cov txheej txheem tswj hwm zoo
- Kev muaj ntawv pov thawj thoob ntiaj teb lav tau: Pom zoo los ntawm xya tus neeg koom txoos thoob ntiaj teb, suav nrog DNV-GL, CCS, ABS, LR, BV, thiab RS.
Kev pab hloov tshiab
{{0 {0}} teev \/ {7- hnub puv-ua haujlwm puv-kev txhawb nqa online,
- Cov kev pabcuam onboard yog muaj thaum tsim nyog.
✦ pab neeg ua haujlwm
- Muab cov kev nyiam kev kho thiab kev txhawb nqa rau cov kev hloov pauv tom qab.
- muaj peev xwm customability
Ua tam sim no
Txawm hais tias koj tab tom ntsib qhov chaw leck txwv, lossis yuav tsum tau ua kom muaj kev txhim kho \/ tsis muaj peev xwm txhim kho kev txuag nyiaj \/ thauj cov qauv kev ua haujlwm nrog kev txawj lwv tawm nrog kev txawj ntse.

OEM & ODM hauv Suav teb
YFM muab kev pabcuam rau cov xwm txheej xws li cov khoom lag luam, chaw nres nkoj sab nrauv, thiab chaw nres nkoj engineering, tshwj xeeb hauv kev customized marine cranes.
📞 tel.\/wa.:OKICE0}}
📧 e-mail. 21anne@yfm-cra.com
🌐 Web .:www.yfm-crane.com
Cim npe nrov: Marine Foldable Crane, Tuam Tshoj Tubrog Foldable Crane Manufacturers, Lwm tus neeg, Hoobkas





